legines.com
NPT masculin reducând sfarcul hexagonal 2511

NPT masculin reducând sfarcul hexagonal 2511

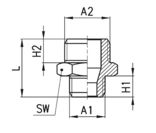
Sfarcul hex pentru conectarea a două conducte filetate sau armături și extinderea lungimii conductei, secțiunea din mijloc hexagonală pentru strângerea cu o cheie.
Firele NPT masculine pentru conectarea la conductele cu filet feminin.
Brass forjat pentru rezistență la coroziune, ductilitate la temperaturi ridicate și permeabilitate magnetică scăzută.
Presiune de funcționare până la 1200psi, interval de temperatură de -40 ° F la 160 ° F.

Aplicație tipică:
Sisteme de grăsime, refrigerare, instrumentare și hidraulică.

Avantaje:
Fire de țeavă Dryseal (BSPT (R)/BSP (G). Gama de dimensiuni și configurații mai mari

Contactaţi-ne

Specificații

PARTE#

Dimensiunea firului A1 × A2

S.W

L

H

2511-M5A

M5 × G1/8

13

14.5

4.0

2511-AB

G1/8 × G1/4 17 19.0 6.0

2511-ac

G1/8 × G3/8

19

20.0 6.0

2511-BC

G1/4 × G3/8 19

22.0

8.0

2510-BD

G1/4 × G1/2 24 23.5

10.0

2511-CD

G3/8 × G1/2 24

23.5

10.0

Permeabilitate scăzută și rezistență la temperatură ridicată. Construcție solidă din alamă cu un finisaj rezistent la coroziune. Firele de conexiune includ NPT (atât bărbați, cât și femei).

Contact cu noi

Despre LETINE

Leginele industriale Machinery Inc.

În calitate de producători profesioniști din China Brass Fitings și împingeți furnizorii de accesorii. 45 automate automate, 35 de mașini-unelte CNC semiautomatice, precum și distribuitori, care au devenit furnizori importanți pentru producerea de piese de alamă Standard American în China ...
  • onora
  • onora

INSTRUCŢIUNI & Știri