legines.com
64# Fitinguri de compresie a tee -ului Brass Union

64# Fitinguri de compresie a tee -ului Brass Union

Fitinguri de compresie a tee -ului Brass Union 64#

Aplicații: piețe:
■■ Linii de aer ■■ Industrial
■■ Linii de ungere ■■ Ambalaj
■■ Linii de răcire ■■ Pneumatic
■■ Industrie ■■ Tipărire
■■ Utilaje
■■ Compresoare
■■ Transfer de fluide

Caracteristici ale produsului:
■■ Îndeplinește cerințele funcționale ale SAE J-512
■■ UL listat pentru lichid inflamabil
■■ Aramă sau mânecă acetal disponibilă
■■ Fără pregătire a tubului
■■ Forme forjate și extrudate

Partea de referință nr:
64 -164C -S64 -64A

Contactaţi-ne

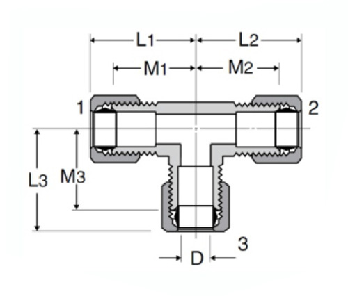
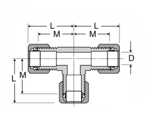
Specificații

PARTE#

D.imensiunea tubului O.D.

M

M

D

64-2

1/8

/

.53

.94

64-3

3/16

/

.59

.125

64-4

1/4

/

.627

.188

64-5

5/16

/

.65

.250

64-6

3/8

/

.73

.312

64-8

1/2

/

.94

.406

64-10

5/8

/

1.06

.500

PARTE#

Dimensiunea tubului

M1

M2

M3

64-4-4-6

1/4x1/4x3/8

.69

.69

.75

64-4-6-4

1/4x3/8x1/4

.69

.75

.69

64-6-6-4

3/8x3/8x1/4

.75

.75

.69

64-8-8-6

1/2x1/2x3/8

.94

.94

.81

64-10-10-8

5/8x5/8x1/2

1.06

1.06

1.06

*Ref.Sae No.060401 Ba

Armăturile noastre de compresie a celor 64 de tee Brass Union sunt listate UL pentru lichid inflamabil și îndeplinesc cerințele funcționale ale SAE J-512. Disponibile în forme forjate sau extrudate, acestea sunt disponibile atât cu fire prelucrate, cât și cu priză, fie într -o alamă sau mânecă acetal. Disponibil cu mâneci de alamă sau acetal, toate componentele sunt proiectate pentru o instalare ușoară, astfel încât instalarea dvs. merge fără probleme.

Contact cu noi

Despre LETINE

Leginele industriale Machinery Inc.

În calitate de producători profesioniști din China Brass Fitings și împingeți furnizorii de accesorii. 45 automate automate, 35 de mașini-unelte CNC semiautomatice, precum și distribuitori, care au devenit furnizori importanți pentru producerea de piese de alamă Standard American în China ...
  • onora
  • onora

INSTRUCŢIUNI & Știri