legines.com
69# compresie 90 ° cot masculin din alamă

69# compresie 90 ° cot masculin din alamă

Aplicații: piețe:
■■ Linii de aer ■■ Industrial
■■ Linii de ungere ■■ Ambalaj
■■ Linii de răcire ■■ Pneumatic
■■ Industrie ■■ Tipărire
■■ Utilaje
■■ Compresoare
■■ Transfer de fluide

Caracteristici ale produsului:
■■ Îndeplinește cerințele funcționale ale SAE J-512
■■ UL listat pentru lichid inflamabil
■■ Aramă sau mânecă acetal disponibilă
■■ Fără pregătire a tubului
■■ Forme forjate și extrudate

Partea de referință nr:
69 -169 -S69 -69a

Contactaţi-ne

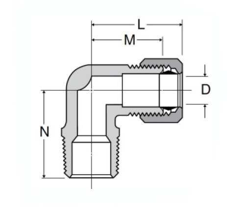
Specificații

PARTE# Tube O.D*NPTF masculin N M
69-2A 1/8*1/8 .68 .59
69-3a 3/16*1/8 .68 .62
69-3b 3/16*1/4 .85 .61
69-4a 1/4*1/8 .75 .62
69-4B 1/4*1/4 .91 .65
69-4C 1/4*3/8 .93 .72
69-4d 1/4*1/2 1.11 .82
69-5a 5/16*1/8 .71 .67
69-5B 5/16*1/4 .82 .66
69-5c 5/16*3/8 .93 .81
69-5d 5/16*1/2 1.12 .82
69-6a 3/8*1/8 .72 .72
69-6B 3/8*1/4 .88 .75
69-6C 3/8*3/8 .93 .81
69-6d 3/8*1/2 1.18 .87
69-8b 1/2*1/4 .97 .88
69-8c 1/2*3/8 1.06 .88
69-8d 1/2*1/2 1.13 .94
69-8e 1/2*3/4 1.25 1.16
69-10C 5/8*3/8 1.25 1.06
69-10D 5/8*1/2 1.31 1.06
69-12d 3/4*1/2 1.31 1.19
69-12e 3/4*3/4 1.38 1.19

*Ref.Sae No.060202 Ba

Cotul nostru masculin de aramă și acet de 90 ° este proiectat conform SAE J-512. Acesta îndeplinește cerințele funcționale ale acelei specificații, cu o articulație de compresie și un final format. Mâneca de aramă sau acetală este încorporată într -o flanșă prelucrată care asigură rigiditate, dar permite introducerea tubului (tubului) fără pregătire.
Montarea cotului de alamă masculină de 90 ° este proiectată pentru a conecta tubul fără a fi nevoie de prepararea tubului. Această montare universală poate fi utilizată cu alte accesorii similare pentru a crea sisteme de conducte complexe care sunt ușor de asamblat și întreținut.

Contact cu noi

Despre LETINE

Leginele industriale Machinery Inc.

În calitate de producători profesioniști din China Brass Fitings și împingeți furnizorii de accesorii. 45 automate automate, 35 de mașini-unelte CNC semiautomatice, precum și distribuitori, care au devenit furnizori importanți pentru producerea de piese de alamă Standard American în China ...
  • onora
  • onora

INSTRUCŢIUNI & Știri