legines.com
70# Forjate 90 ° Fitinguri de compresie a cotului feminin

70# Forjate 90 ° Fitinguri de compresie a cotului feminin

Aplicații: piețe:
■■ Linii de aer ■■ Industrial
■■ Linii de ungere ■■ Ambalaj
■■ Linii de răcire ■■ Pneumatic
■■ Industrie ■■ Tipărire
■■ Utilaje
■■ Compresoare
■■ Transfer de fluide

Caracteristici ale produsului:
■■ Îndeplinește cerințele funcționale ale SAE J-512
■■ UL listat pentru lichid inflamabil
■■ Aramă sau mânecă acetal disponibilă
■■ Fără pregătire a tubului
■■ Forme forjate și extrudate

Partea de referință nr:
70 -170C -S70 -70A

Contactaţi-ne

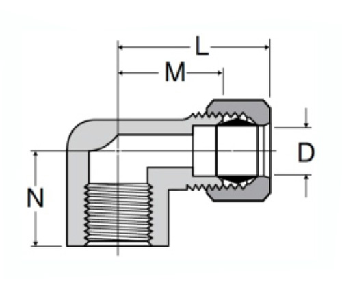
Specificații

PARTE#

Tube o.d x femalr nptf

N

M

D.

70-3a

3/16x1/8

.470

.69

.125

70-4a

1/4x1/8

.470

.69

.188

70-4B

1/4x1/4

.562

.75

.188

70-5a

5/16x1/8

.600

.78

.234

70-5B

5/16x1/4

.562

.78

.250

70-6B

3/8x1/4

.580

.81

.312

70-6C

3/8x3/8

.580

.88

.312

70-8B

1/2x1/4

.700

1.00

.312

70-8c

1/2x3/8

.700

1.00

.406

70-8d

1/2x1/2

.880

1.00

.406

*Ref.Sae No.060203 Ba

Cotul feminin de 70# Forjat este o montare de compresie fiabilă făcută pentru a întâlni SAE J-512. Această montare este proiectată cu un unghi de 90 ° în raport cu axa tubului și poate fi utilizată pentru a se ramifica sau a face un unghi oricând după instalare. Brass -ul forjat sau mâneca acetal permite asamblarea ușoară, fără a fi necesară prepararea tubului.
Cotul feminin de 70 de grade este utilizat pentru controlul debitului și poate fi utilizat în oțel ușor, oțel inoxidabil, aluminiu și materiale plastice. Cotul feminin de 70 de grade include o mânecă din plastic sau din alamă care oferă rezistență la coroziune. Această montare este compatibilă cu tubul cu pereți moi, iar dimensiunea gâtului se potrivește cu tubul OD atunci când este asamblat.

Contact cu noi

Despre LETINE

Leginele industriale Machinery Inc.

În calitate de producători profesioniști din China Brass Fitings și împingeți furnizorii de accesorii. 45 automate automate, 35 de mașini-unelte CNC semiautomatice, precum și distribuitori, care au devenit furnizori importanți pentru producerea de piese de alamă Standard American în China ...
  • onora
  • onora

INSTRUCŢIUNI & Știri