legines.com
54# SAE 45 ° Fitinguri de alamă Flare forjate 45 ° cot masculin

54# SAE 45 ° Fitinguri de alamă Flare forjate 45 ° cot masculin

Caracteristici ale produsului:
■■ Toate construcțiile din alamă
■■ Rezistă vibrațiilor cu utilizarea piuliței lungi
■■ Listarea UL
■■ Cerințe funcționale ale SAE J512 și J513


Piețe: Aplicații:
■■ Refrigerare ■■ Linii de refrigerare
■■ Camion greu ■■ Propan
■■ Mobil ■■ Combustibili
■■ Industrial ■■ Adaptoare
■■ Încălzire ■■ Gaz natural
■■ Aer condiționat

Partea de referință nr:
E415 -654F -47 -54 -59ff -4945 -159F -254 -10448-10459

Contactaţi-ne

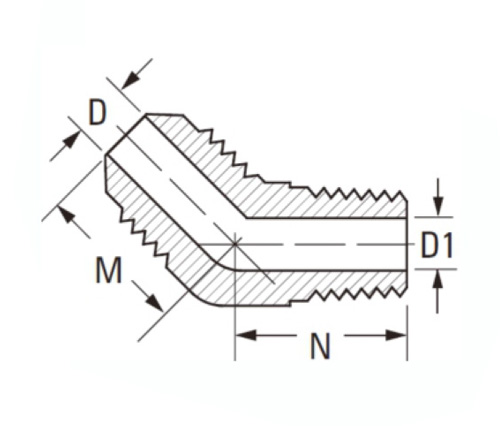
Specificații

PARTE#

Flare O.D. × Thared

D

D1

M

N

54-4a

1/4 × 1/8

.189

.219

.67

.64

54-4b

1/4 × 1/4

.189

.312

.75

.86

54-5a

5/16 × 1/8

.219

.219

.78

.64

54-5B

5/16 × 1/4

.219

.312

.81

.86

54-6B

3/8 × 1/4

.282

.312

.91

.86

54-6C

3/8 × 3/8

.282

.438

.93

.94

54-6d

3/8 × 1/2

.282

.562

.99

1.17

54-8c

1/2 × 3/8

.408

.438

1.07

.88

54-8d

1/2 × 1/2

.408

.562

1.12

1.17

54-10C

5/8 × 3/8

.500

.438

1.13

.95

54-10D

5/8 × 1/2

.500

.562

1.13

1.17

54-12d

3/4 × 1/2

.625

.750

1.28

1.17

54-12e

3/4 × 3/4

.625

.750

1.41

1.20

*Ref.Sae No.010302

Aceasta este o montare SAE de 45 ° Flare, care prezintă un cot masculin forjat de 45 °. Construcția din alamă face ca această montare să fie extrem de fiabilă și durabilă. Cerințele funcționale ale SAE J512 și J513 sunt îndeplinite de această montare, în timp ce utilizarea piuliței lungi reduce vibrațiile cu utilizarea.

Contact cu noi

Despre LETINE

Leginele industriale Machinery Inc.

În calitate de producători profesioniști din China Brass Fitings și împingeți furnizorii de accesorii. 45 automate automate, 35 de mașini-unelte CNC semiautomatice, precum și distribuitori, care au devenit furnizori importanți pentru producerea de piese de alamă Standard American în China ...
  • onora
  • onora

INSTRUCŢIUNI & Știri