legines.com
55# SAE 45 ° Fiting Fitings forjat 90 ° Flare cot

55# SAE 45 ° Fiting Fitings forjat 90 ° Flare cot

Caracteristici ale produsului:
■■ Toate construcțiile din alamă
■■ Rezistă vibrațiilor cu utilizarea piuliței lungi
■■ Listarea UL
■■ Cerințe funcționale ale SAE J512 și J513


Piețe: Aplicații:
■■ Refrigerare ■■ Linii de refrigerare
■■ Camion greu ■■ Propan
■■ Mobil ■■ Combustibili
■■ Industrial ■■ Adaptoare
■■ Încălzire ■■ Gaz natural
■■ Aer condiționat

Partea de referință nr:
E2 -155F -55 -10044 până la 10412

Contactaţi-ne

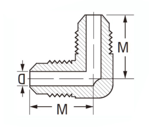
Specificații

PARTE#

Tubul O. d

C.

D.

L

55-2

1/8

3/8

.079

.64

55-3

3/16

3/8

.126

.73

55-4

1/4

3/8

.189

.81

55-5

5/16

7/16

.220

.92

55-6

3/8

7/16

.282

1.04

55-8

1/2

9/16

.408

1.31

55-10

5/8

11/16

.502

1.39

5512

3/4

7/8

.627

1.53

55-6 × 4

3/8 × 1/4

7/16

/

/

55-8 × 6

1/2 × 3/8

7/16

/

/

55-10 × 8

5/8 × 1/2

11/16

/

/

*Datele de dimensiuni se pot schimba fără notificare prealabilă

*Ref.Sae.No.010201

SAE 45 ° Fiting Fitings forjat 90 ° Flare Cob este ideal pentru gazul natural și propan. Produsele au o construcție de alamă de înaltă calitate, cu nuci lungi. Fitingurile noastre sunt listate UL și îndeplinesc cerințele funcționale ale SAE J512 și J513.

Contact cu noi

Despre LETINE

Leginele industriale Machinery Inc.

În calitate de producători profesioniști din China Brass Fitings și împingeți furnizorii de accesorii. 45 automate automate, 35 de mașini-unelte CNC semiautomatice, precum și distribuitori, care au devenit furnizori importanți pentru producerea de piese de alamă Standard American în China ...
  • onora
  • onora

INSTRUCŢIUNI & Știri