legines.com
39# SAE 45 ° Fiting Fitings Fiting Fitings

39# SAE 45 ° Fiting Fitings Fiting Fitings

Caracteristici ale produsului:
■■ Toate construcțiile din alamă
■■ Rezistă vibrațiilor cu utilizarea piuliței lungi
■■ Listarea UL
■■ Cerințe funcționale ale SAE J512 și J513


Piețe: Aplicații:
■■ Refrigerare ■■ Linii de refrigerare
■■ Camion greu ■■ Propan
■■ Mobil ■■ Combustibili
■■ Industrial ■■ Adaptoare
■■ Încălzire ■■ Gaz natural
■■ Aer condiționat

Partea de referință nr:
58 -57 -439 -639F -P2 -PF -2229 -10063 ~ 10069

Contactaţi-ne

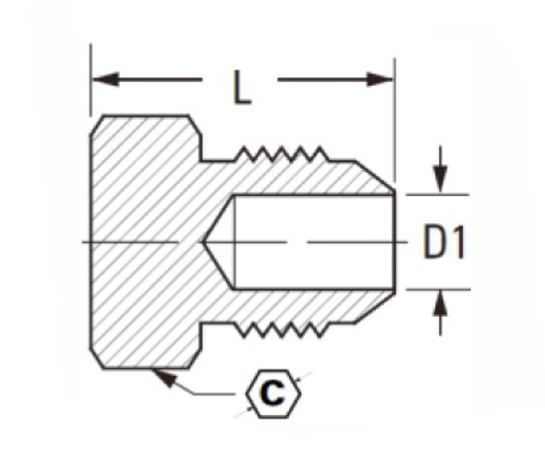
Specificații

PARTE# Tube O.D. C. D1 L
39-2 1/8 7/16 .079 .47
39-3 3/16 1/2 .126 .58
39-4 1/4 9/16 .189 .69
39-5 5/16 5/8 .220 .79
39-6 3/8 3/4 .282 .88
39-8 1/2 7/8 .408 1.06
39-10 5/8 1-1/16 .502 1.19
39-12 3/4 1-5/16 .627 1.30

*Ref.Sae No.010109

Această montare SAE de 45 ° Flare Flare este ideală pentru refrigerare, aer condiționat și linii de propan. Dispune de o piuliță lungă pentru rezistența la vibrații și este compatibilă cu standardele SAE J512 și J513. Această montare este fabricată de alamă de înaltă calitate și este fabricată la standarde exacte pentru a asigura performanțe superioare.

Contact cu noi

Despre LETINE

Leginele industriale Machinery Inc.

În calitate de producători profesioniști din China Brass Fitings și împingeți furnizorii de accesorii. 45 automate automate, 35 de mașini-unelte CNC semiautomatice, precum și distribuitori, care au devenit furnizori importanți pentru producerea de piese de alamă Standard American în China ...
  • onora
  • onora

INSTRUCŢIUNI & Știri