legines.com
131 dop de linie de frână inversă din oțel

131 dop de linie de frână inversă din oțel

Caracteristici ale produsului:
■■ Toate construcțiile din alamă
■■ UL listat pentru lichid și gaze inflamabile
■■ Îndeplinește cerințele funcționale ale SAE J512
■■ Nuc de oțel pentru economie

Piețe: Aplicații:
■■ Aer condiționat ■■ Linii de refrigerare
■■ Marin ■■ Linii de frână
■■ Mobil ■■ Linii de combustibil
■■ Motoare

Tubul compatibil:
■■ Cupru
■■ Alamă
■■ Aluminiu
■■ Tub hidraulic din oțel sudat

Contactaţi-ne

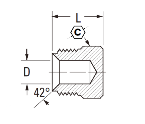
Specificații

PARTE#

Tube O.D..

C.

D

L

131-3

3/16 3/8 .188

.53

131-4

1/4 7/16 .188 .54

131-5

5/16 1/2 .250 .59

131-6

3/8 5/8 .312 .66

*Ref.Sae No.040109 Ba

Seria noastră de 131 de fitinguri ale liniei de frână inversate din alamă sunt concepute special pentru liniile de gaz și combustibil. Designul inversat oferă o conexiune fără scurgeri în aplicații strânse.
Dopul de frână inversat de 131 de oțel este un dop compatibil de foc sau benzină, compatibil, inversat în stil cheie, conceput pentru a sigila capătul terminal al tubului flexibil. Este fabricat din oțel placat cu zinc pentru rezistența la coroziune și o inserție integrală din plastic care oferă rezistență împotriva distorsiunii. De asemenea, disponibil cu o construcție de alamă.
Acest produs este un dop placat cu aramă și oțel cu montare de flacără inversată. Se face pentru a accepta 1/8 tub. Dimensiunea este de .53 "diametru cu .54" adâncime, acest stil de mufă poate fi utilizat doar pe tubul de cupru, oțel și aluminiu.
Economia este adesea numele jocului în aplicații de linii de frână. Și nu există o modalitate mai bună de a economisi bani decât cu acest dop de linie care să păstreze aerul proaspăt din liniile tale, dar arată grozav și va dura anii următori. Cu o nucă de oțel și un butoi de alamă, acest lucru va satisface nevoile dvs.

Contact cu noi

Despre LETINE

Leginele industriale Machinery Inc.

În calitate de producători profesioniști din China Brass Fitings și împingeți furnizorii de accesorii. 45 automate automate, 35 de mașini-unelte CNC semiautomatice, precum și distribuitori, care au devenit furnizori importanți pentru producerea de piese de alamă Standard American în China ...
  • onora
  • onora

INSTRUCŢIUNI & Știri