legines.com
3325# Reducerea fitingurilor cu țeavă hexagonală

3325# Reducerea fitingurilor cu țeavă hexagonală

Caracteristici ale produsului: Piețe:
■■ Toate construcțiile din alamă ■■ Industrial
■■ Îndeplinește cerințele funcționale ale ■■ Construcție
SAE J530 și SAE J531 ■■ Camion greu
■■ Firele făcute la standardele de drisnă ■■ Mobil
■■ Atât forjele, cât și extruziile disponibile ■■ Automatizarea fabricii/proceselor

Aplicații: tubul compatibil:
■■ Linii de aer ■■ Cupru
■■ Linie de apă ■■ Alamă
■■ Linii de răcire ■■ Țeavă de fier

Specificații:
Interval de presiune până la 1000 psi
Interval de temperatură -65˚ până la 250 ° F

Aplicație tipică:
Grăsime, combustibili, LP și gaze naturale, frigider.Instruare și sisteme hidraulice

Conformitate:
Îndeplinește specificațiile și standardele ASA, ASME și SAE.

Partea de referință nr:
216p -3325 -379 -122ah -122b

Contactaţi-ne

Specificații

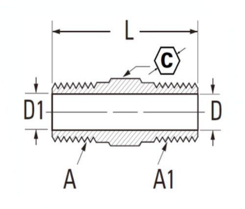
PARTE#

D.imensiunea firului

C.

D

D1

L

3325L-AA

1/8 × 1/8

7/16

.219

.219

.91

3325-AA

1/8 × 1/8

7/16

.219

.219

.97

3325L-BA

1/4 × 1/8

9/16

.219

.219

1.00

3325-BA

1/4 × 1/8

91/6

.312

.219

1.19

3325L-BB

1/4 × 1/4

9/16

.312

.312

1.12

3325-bb

1/4 × 1/4

9/16

.312

.312

1.38

3325L-CA

3/8 × 1/8

11/16

.438

.219

1.11

3325-CA

3/8 × 1/8

11/16

.438

.219

1.22

3325L-CB

3/8 × 1/4

11/16

.438

.312

1.19

3325-CB

3/8 × 1/4

11/16

.438

.312

1.41

3325L-CC

3/8 × 3/8

11/16

.438

.438

1.25

3325-cc

3/8 × 3/8

11/16

.438

.438

1.41

3325L-DB

1/2 × 1/4

7/8

.562

.319

1.34

3325-DB

1/2 × 1/4

7/8

.562

.319

1.62

3325L-DC

1/2 × 3/8

7/8

.562

.438

1.41

3325-dc

1/2 × 3/8

7/8

.562

.438

1.62

3325L-DD

1/2 × 1/2

7/8

.662

.662

1.50

3325-DD

1/2 × 1/2

7/8

.562

.562

1.81

3325-ed

3/4 × 1/2

1-1/16

.750

.562

1.50

3325-ee

3/4 × 3/4

1-1/16

.750

.750

1.96

3325-hh

1 "× 1"

1-3/8

.960

.960

2.30

* L: Lumină

*Ref.Sae nr.130137

Seria noastră 3325 Reducerea fitingurilor cu țeavă hexagonală este făcută cu aliaj de aramă care nu are 100%. Oferim atât forjele, cât și extrudări ale acestei potriviri. Fiecare sfârc este fabricat pentru a îndeplini cerințele funcționale ale SAE J530 sau SAE J531, ambele piețe de camioane grele. Sfarcurile de țeavă forjate 3325 sunt disponibile atât în firele mari, cât și în cele standard. Aceste sfarcuri sunt compatibile cu tuburile de cupru, alamă și fier, cuprinse între ¼ ”până la ½”, programul 40. Inginerii noștri de vânzări din fabrică vă vor ajuta să vă asigurați că aveți potrivirea potrivită pentru locul de muncă! Seria 3325 care reduce montarea conductelor de sfârc este utilizată pentru a reduce dimensiunile conductelor cu diametrul exterior. Seria 3325 prezintă o forță a construcției din alamă și vine cu certificare NACE, precum și marcaje de ștampilare A-607, AWS și ASME pe partea din față. Disponibil în diferite presiuni de până la 1000 psi.
Reducerea fitingurilor cu conducte hexagonale sunt ideale pentru majoritatea aplicațiilor. Acestea oferă modele compacte, de economisire a spațiului și sunt folosite pentru a se alătura sistemelor de conducte împreună. Acești conectori de sex masculin și de sex feminin sunt confecționate din materiale puternice din alamă și sunt echipate cu fire prelucrate cu precizie pentru a asigura o funcționare lină.

Contact cu noi

Despre LETINE

Leginele industriale Machinery Inc.

În calitate de producători profesioniști din China Brass Fitings și împingeți furnizorii de accesorii. 45 automate automate, 35 de mașini-unelte CNC semiautomatice, precum și distribuitori, care au devenit furnizori importanți pentru producerea de piese de alamă Standard American în China ...
  • onora
  • onora

INSTRUCŢIUNI & Știri