legines.com
3500# Fitinguri din alamă 90 de grade pentru conducte de cot

3500# Fitinguri din alamă 90 de grade pentru conducte de cot

Caracteristici ale produsului: Piețe:
■■ Toate construcțiile din alamă ■■ Industrial
■■ Îndeplinește cerințele funcționale ale ■■ Construcție
SAE J530 și SAE J531 ■■ Camion greu
■■ Firele făcute la standardele de drisnă ■■ Mobil
■■ Atât forjele, cât și extruziile disponibile ■■ Automatizarea fabricii/proceselor

Aplicații: tubul compatibil:
■■ Linii de aer ■■ Cupru
■■ Linie de apă ■■ Alamă
■■ Linii de răcire ■■ Țeavă de fier

Specificații:
Interval de presiune până la 1000 psi
Interval de temperatură -65˚ până la 250 ° F

Aplicație tipică:
Grăsime, combustibili, LP și gaze naturale, frigider.Instruare și sisteme hidraulice

Conformitate:
Îndeplinește specificațiile și standardele ASA, ASME și SAE.

Partea de referință nr:
2200p -3500 -302 -200 -28001 până la 28005 -100

Contactaţi-ne

Specificații

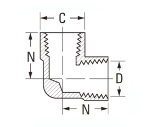
PARTE# D.imensiunea firului C. D N N
3500-A 1/8 × 1/8 9/16 .219 .66 .47
3500-B 1/4 × 1/4 11/16 .315 .91 .72
3500-C 3/8 × 3/8 13/16 .438 .97 .78
3500-D 1/2 × 1/2 1 " .562 1.25 1.03
3500-e 3/4 × 3/4 1 "-1/4 .750 1.38 1.12

Ref.Sae nr.130238

Fabricate din alamă, coatele noastre de 90 de grade sunt fabricate pentru a răspunde nevoilor aplicațiilor industriale și de construcție. Brass forjat este mai durabil, mai greu și mai puțin probabil să se îndoaie decât produsele extrudate. Fitingurile noastre de bronz au, de asemenea, o rezistență mai bună la șoc și vibrații. Oferim atât accesorii de țeavă forjate, cât și extrudate pentru proiecte în toate aplicațiile din industrie, inclusiv linii de aer, linii de apă, linii de răcire și multe altele. Fitingurile de aramă sunt fabricate cu standarde de cea mai înaltă calitate. De la procesul de forjare până la filetare și finisare la sfârșit, fiecare etapă este verificată cu instrumente de precizie. Aceste accesorii îndeplinesc cerințele funcționale ale SAE J530 și SAE J531, în timp ce sunt compatibile cu SAE SAE J514 și ASME B16.21.Corburi de 90 de grade sunt fabricate din alamă de înaltă calitate, oferind o structură puternică și durabilă. Oferim atât opțiuni de montare a fabricii, cât și a camioanelor, cu două configurații diferite de BARB pentru a se adapta dimensiunilor mari de tuburi. Indiferent dacă sunteți în căutarea unui înlocuitor sau doriți să vă actualizați sistemul, Crouse-Hinds vă pot ajuta.

Contact cu noi

Despre LETINE

Leginele industriale Machinery Inc.

În calitate de producători profesioniști din China Brass Fitings și împingeți furnizorii de accesorii. 45 automate automate, 35 de mașini-unelte CNC semiautomatice, precum și distribuitori, care au devenit furnizori importanți pentru producerea de piese de alamă Standard American în China ...
  • onora
  • onora

INSTRUCŢIUNI & Știri