legines.com
3600# Fittings Fittings Branch Tee Brass Fitings

3600# Fittings Fittings Branch Tee Brass Fitings

Caracteristici ale produsului: Piețe:
■■ Toate construcțiile din alamă ■■ Industrial
■■ Îndeplinește cerințele funcționale ale ■■ Construcție
SAE J530 și SAE J531 ■■ Camion greu
■■ Firele făcute la standardele de drisnă ■■ Mobil
■■ Atât forjele, cât și extruziile disponibile ■■ Automatizarea fabricii/proceselor

Aplicații: tubul compatibil:
■■ Linii de aer ■■ Cupru
■■ Linie de apă ■■ Alamă
■■ Linii de răcire ■■ Țeavă de fier

Specificații:
Interval de presiune până la 1000 psi
Interval de temperatură -65˚ până la 250 ° F

Aplicație tipică:
Grăsime, combustibili, LP și gaze naturale, frigider.Instruare și sisteme hidraulice

Conformitate:
Îndeplinește specificațiile și standardele ASA, ASME și SAE.

Partea de referință nr:
2224p -3600 -T9 -x106 -226 -329 -128 -28281 ~ 28285

Contactaţi-ne

Specificații

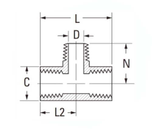
PARTE# D.imensiunea firului C. D L2 N
3600-A F1/8 × M1/8 9/16 .219 1.10 .66
3600-B F1/4 × M1/4 11/16 .315 1.56 .91
3600-C F3/8 × M3/8 13/16 .438 1.68 .97
3600-D F1/2 × M1/2 1 " .562 2.18 1.25
3600-e F3/4 × M3/4 1 "-1/4 .750 2.31 1.38

*Ref.Sae nr.130425

Fitingurile de tee pentru ramuri grele sunt fabricate din aramă cu ecartament greu, fabricate la standardele SAE J530 și SAE J531. Sunt disponibile atât în forțări, cât și în extruziuni, ceea ce ne oferă versatilitatea de a oferi o mare varietate de opțiuni pentru clienții noștri. Construite atât cu evaluări de presiune, cât și de temperatură, aceste tee de ramură sunt potrivite pentru utilizare în aproape orice proces industrial. Ambele mărci de tuburi pot fi utilizate cu succes cu această linie potrivită. Inginerii noștri calificați vă pot ajuta să selectați cel mai bun produs sau să proiectați un sistem pentru a răspunde nevoilor dvs. specifice.

Contact cu noi

Despre LETINE

Leginele industriale Machinery Inc.

În calitate de producători profesioniști din China Brass Fitings și împingeți furnizorii de accesorii. 45 automate automate, 35 de mașini-unelte CNC semiautomatice, precum și distribuitori, care au devenit furnizori importanți pentru producerea de piese de alamă Standard American în China ...
  • onora
  • onora

INSTRUCŢIUNI & Știri