legines.com
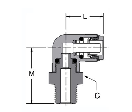
369ptc cot masculin pivotant 90 °

369ptc cot masculin pivotant 90 °

Caracteristici ale produsului:
■■ Brass Collet
■■ Buna N O-Ring
■■ Suport tub din oțel inoxidabil
■■ Întâlnește D.O.T. FMVSS571.106
■■ Întâlnește SAE J2494-3
■■ Corpul compus - rezistent puternic, ușor, compact și rezistent la impact
■■ Configurații plug-in

Piețe:
■■ Camion greu
■■ Trailer
■■ Mobil

Aplicații:
■■ Frâne de aer
■■ Rezervoare de aer
■■ Plimbare cu aer
■■ Glisoare
■■ Inflația anvelopelor
■■ Linii primare și secundare
■■ Taxi controlează

Contactaţi-ne

Specificații

Partea de referință nr:

PARTE# Dimensiunea tubului x NPTF masculin C. M L W.G Preţ
369PTC-4A 1/4 × 1/8 9/16 .69 .69
369PTC-4B 1/4 × 1/4 9/16 .69 1.20
369PTC-4C 1/4 × 3/8 9/16 .69 1.20
369PTC-6A 3/8 × 1/8 3/4 .99 1.13
369PTC-6B 3/8 × 1/4 3/4 .99 1.28
369PTC-6C 3/8 × 3/8 3/4 .99 1.28
369PTC-6D 3/8 × 1/2 3/4 .99 1.47
369PTC-8B 1/2 × 1/4 15/16 1.11 1.39
369PTC-6C 1/2 × 3/8 15/16 1.11 1.39
369PTC-6D 1/2 × 1/2 15/16 1.11 1.58
369PTC-10C 5/8 × 3/8 1-1/16 1.33 1.60
369PTC-10D 5/8 × 1/2 1-1/16 1.33 1.79
369PTC-12D 3/4 × 1/2 1-3/16 1.52 1.89
369PTC-12E 3/4x3/4 1-3/16 1.52 1.89

Cotul masculin 369PTC este un conector pivotant de înaltă calitate, complet testat, cu collet metal, suport pentru ring o din oțel inoxidabil. Întâlnește D.O.T. FMVSS571.106 Standarde și SAE J2494-3 Standarde pentru acțiune de pivot de 360 °. Configurațiile plug-in prezintă un corp compus-puternic, ușor, compact și rezistent la impact.

Contact cu noi

Despre LETINE

Leginele industriale Machinery Inc.

În calitate de producători profesioniști din China Brass Fitings și împingeți furnizorii de accesorii. 45 automate automate, 35 de mașini-unelte CNC semiautomatice, precum și distribuitori, care au devenit furnizori importanți pentru producerea de piese de alamă Standard American în China ...
  • onora
  • onora

INSTRUCŢIUNI & Știri