legines.com
24m PRESTO CHALELOLD

24m PRESTO CHALELOLD

Caracteristici ale produsului:
■■ Brass Collet
■■ Buna N O-Ring
■■ Suport tub din oțel inoxidabil
■■ Întâlnește D.O.T. FMVSS571.106
■■ Întâlnește SAE J2494-3
■■ Corpul compus - rezistent puternic, ușor, compact și rezistent la impact
■■ Configurații plug-in

Piețe:
■■ Camion greu
■■ Trailer
■■ Mobil

Aplicații:
■■ Frâne de aer
■■ Rezervoare de aer
■■ Plimbare cu aer
■■ Glisoare
■■ Inflația anvelopelor
■■ Linii primare și secundare
■■ Taxi controlează

Contactaţi-ne

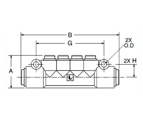
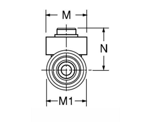
Specificații

PORTE

Nu.

Tube O.D...

lnlet

Tube O.D

Outlet

A B D G H M M1 N
24m-4-4 1/4 1/4 1.33 3.98 .21 2.75 .53 .90 .88 .89
24m-6-4 3/8 1/4 1.33 4.00 .21 2.75 .53 .90 .88 .89
24m-6-6 3/8 3/8 1.65 6.49 .22 4.55 .60 1.02 1.02 1.33
24m-8-8 1/2 1/2 1.65 6.49 .22 4.55 .60 1.02 1.02 1.33
24m-8-6-4-4-6-8 1/2 3/8 și 1/4 1.65 6.49 .22 4.55 .60 1.02 1.02 1.17

Colectorul Presto de 24 m este construit pentru a oferi un serviciu ușor, rapid și fiabil. Corpul compus cu un design puternic, ușor, rezistent la impact și compact, asigură rezistență, reducând în același timp vrac. Colectorul Presto de 24 m este proiectat pentru a îndeplini cerințele D.O.T FMVSS571.106, SAE J2494-3 pentru aplicații de înaltă presiune. Capacitățile sale plug & play permit o versatilitate maximă în orice aplicație.

Contact cu noi

Despre LETINE

Leginele industriale Machinery Inc.

În calitate de producători profesioniști din China Brass Fitings și împingeți furnizorii de accesorii. 45 automate automate, 35 de mașini-unelte CNC semiautomatice, precum și distribuitori, care au devenit furnizori importanți pentru producerea de piese de alamă Standard American în China ...
  • onora
  • onora

INSTRUCŢIUNI & Știri