legines.com
65# 90 ° Fitinguri de compresie a cotului masculin pentru bărbați

65# 90 ° Fitinguri de compresie a cotului masculin pentru bărbați

Aplicații: piețe:
■■ Linii de aer ■■ Industrial
■■ Linii de ungere ■■ Ambalaj
■■ Linii de răcire ■■ Pneumatic
■■ Industrie ■■ Tipărire
■■ Utilaje
■■ Compresoare
■■ Transfer de fluide

Caracteristici ale produsului:
■■ Îndeplinește cerințele funcționale ale SAE J-512
■■ UL listat pentru lichid inflamabil
■■ Aramă sau mânecă acetal disponibilă
■■ Fără pregătire a tubului
■■ Forme forjate și extrudate

Partea de referință nr:
65 -265 -65a -S65

Contactaţi-ne

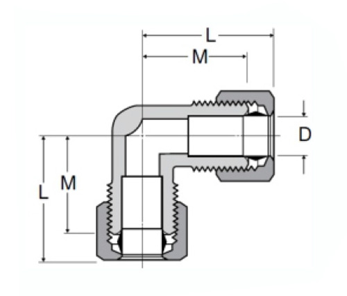
Specificații

PRT# D.imensiunea tubului O.D. M D
65-3 3/16 .61 .125
65-4 1/4 .66 .188
65-5 5/16 .69 .250
65-6 3/8 .72 .312
65-8 1/2 .94 .406
65-10 5/8 1.06 .500
65-12 3/4 1.19 .562
65-6-4 3/8x1/4 .75/.69 .125
65-8-6 1/2x3/8 .94/.88 .312

Până la 6 ori mai ușoară decât armăturile falsificate, seria 65 are un corp de acetal sau alamă ușoară și rezistent la coroziune și un știft de centru de alamă forjat. Această montare vă permite să adaptați capătul unui tub la un unghi de 90 de grade. Această montare este disponibilă în mai multe materiale și finisaje, inclusiv alamă, oțel inoxidabil și acetal. Fiecare montare este ștampilată cu un număr de piesă, asigurând o identificare ușoară în toate punctele din lanțul de aprovizionare. Acest subansamblu al cotului este de obicei utilizat în sistemele de combustibil în care sunt recomandate conexiunile tubului de cupru la tubul de cupru. Numărul de fire necesare pentru a face conexiunea poate varia în funcție de materialul conductei, grosimea peretelui și pasul cu fir.

Contact cu noi

Despre LETINE

Leginele industriale Machinery Inc.

În calitate de producători profesioniști din China Brass Fitings și împingeți furnizorii de accesorii. 45 automate automate, 35 de mașini-unelte CNC semiautomatice, precum și distribuitori, care au devenit furnizori importanți pentru producerea de piese de alamă Standard American în China ...
  • onora
  • onora

INSTRUCŢIUNI & Știri