legines.com
51# SAE 45° Flare  Brass  Forged Male Run Tee

51# SAE 45° Flare Brass Forged Male Run Tee

Caracteristici ale produsului:
■■ Toate construcțiile din alamă
■■ Rezistă vibrațiilor cu utilizarea piuliței lungi
■■ Listarea UL
■■ Cerințe funcționale ale SAE J512 și J513


Piețe: Aplicații:
■■ Refrigerare ■■ Linii de refrigerare
■■ Camion greu ■■ Propan
■■ Mobil ■■ Combustibili
■■ Industrial ■■ Adaptoare
■■ Încălzire ■■ Gaz natural
■■ Aer condiționat

Partea de referință nr:
T3- 151F -51 -10361 până la 10360

Contactaţi-ne

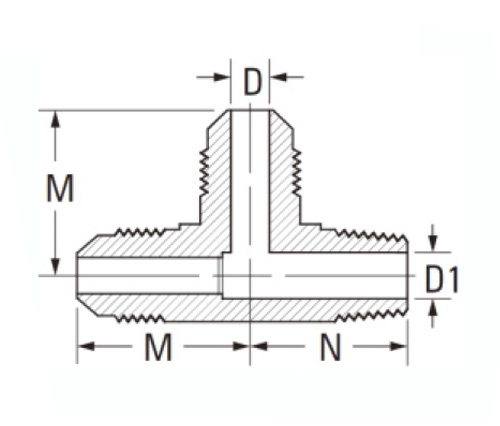
Specificații

PARTE#

Flare O.D. × Fir

D

M

N

51-3 a

3/16 × 1/8

.126

.75

.75

51-4 a

1/4 × 1/8

.189

.78

.75

51-4b

1/4 × 1/4

.189

.88

.88

51-5 a

5/16 × 1/8

.219

.88

.80

51-5b

5/16 × 1/4

.219

1.00

.94

51-6B

3/8 × 1/4

.282

1.00

.94

51-6c

3/8 × 3/8

.282

1.00

1.00

51-6d

3/8 × 1/2

.282

1.12

1.22

51-8c

1/2 × 3/8

.408

1.16

1.09

51-8d

1/2 × 1/2

.408

1.22

1.22

51-10D

5/8 × 1/2

.500

1.41

1.31

51-12d

3/4 × 1/2

.625

1.63

1.59

51-12e

3/4 × 3/4

.625

1.63

1.44

*Ref.Sae No.010424

SAE 45 ° Flare Brass Brass Forged Male Run. Această parte este fabricată din toate alama, inclusiv flanșele și piulița. Aceste accesorii sunt utilizate în aplicații în care este prezentă vibrațiile, cum ar fi refrigerarea și liniile de combustibil mobil. Tee -ul run are cerințe funcționale ale SAE J512 și J513, cu o piuliță lungă care rezistă vibrației.

Contact cu noi

Despre LETINE

Leginele industriale Machinery Inc.

În calitate de producători profesioniști din China Brass Fitings și împingeți furnizorii de accesorii. 45 automate automate, 35 de mașini-unelte CNC semiautomatice, precum și distribuitori, care au devenit furnizori importanți pentru producerea de piese de alamă Standard American în China ...
  • onora
  • onora

INSTRUCŢIUNI & Știri