legines.com
402 Flăcări inversate 90 ° Fitinguri pentru cot masculin

402 Flăcări inversate 90 ° Fitinguri pentru cot masculin

Caracteristici ale produsului:
■■ Toate construcțiile din alamă
■■ UL listat pentru lichid și gaze inflamabile
■■ Îndeplinește cerințele funcționale ale SAE J512
■■ Nuc de oțel pentru economie

Piețe: Aplicații:
■■ Aer condiționat ■■ Linii de refrigerare
■■ Marin ■■ Linii de frână
■■ Mobil ■■ Linii de combustibil
■■ Motoare

Tubul compatibil:
■■ Cupru
■■ Alamă
■■ Aluminiu
■■ Tubul hidraulic din oțel sudat

Partea de referință nr:
4000 -2400 -2491ifhd -2491if -49w

Contactaţi-ne

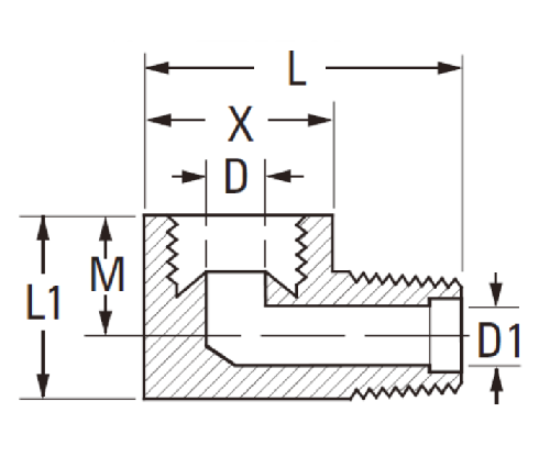
Specificații

PARTE#

Tube O.D. × Fir masculin

X

D

L

402-2A

1/8 × 1/8 .42 .078 .80

402-3a

3/16 × 1/8 .47 .125 .70

402-4a

1/4 × 1/8 .53 .188 .74

402-4b

1/4 × 1/4 .56 .188 .89

402-5a

5/16 × 1/8 .59 .219 .79

402-5b

5/16 × 1/4 .59 .220 .98

402-6a

3/8 × 1/8 .76 .281 .89

402-6B

3/8 × 1/4 .76 .281 1.03

402-6c

3/8 × 3/8 .75 .281 1.01

402-8b

1/2 × 1/4 .91 .406 1.08

402-8c

1/2 × 3/8 .92 .406 1.07
402-8d 1/2 × 1/2 .91 .406 1.26
402-10D 5/8 × 1/2 1.06 .531 1.32

*Ref.Sae No.040202 Ba

Coatele evazate de 90 ° vă permit să conectați cu ușurință două linii la un unghi drept. Sunt folosite pentru a schimba direcția în apă, aer condiționat și refrigerant, linii de frână și linii de combustibil. Construcția de all-alunea și nucile de oțel le fac ideale pentru utilizare cu furtunul de cauciuc hidraulic din oțel.
Acest cot de 90 ° Flare este o construcție de alamă, listată UL pentru lichid și gaze inflamabile, îndeplinește cerințele funcționale ale SAE J512, 1/8 "x1/8" tub la 1/2 "x1/2" montare masculină. Nuci de oțel pentru economie care respectă majoritatea standardelor producătorilor de mașini OEM.
Aceasta este o montare a cotului masculin NPT care este construită din alamă și este utilizată în instalații sanitare. Această montare oferă o modalitate ieftină de a conecta conductele care sunt realizate cu diferite materiale și dimensiuni.

Contact cu noi

Despre LETINE

Leginele industriale Machinery Inc.

În calitate de producători profesioniști din China Brass Fitings și împingeți furnizorii de accesorii. 45 automate automate, 35 de mașini-unelte CNC semiautomatice, precum și distribuitori, care au devenit furnizori importanți pentru producerea de piese de alamă Standard American în China ...
  • onora
  • onora

INSTRUCŢIUNI & Știri