legines.com
502 INVERSED FLARE UNION COBULUI

502 INVERSED FLARE UNION COBULUI

Caracteristici ale produsului:
■■ Toate construcțiile din alamă
■■ UL listat pentru lichid și gaze inflamabile
■■ Îndeplinește cerințele funcționale ale SAE J512
■■ Nuc de oțel pentru economie

Piețe: Aplicații:
■■ Aer condiționat ■■ Linii de refrigerare
■■ Marin ■■ Linii de frână
■■ Mobil ■■ Linii de combustibil
■■ Motoare

Tubul compatibil:
■■ Cupru
■■ Alamă
■■ Aluminiu
■■ Tubul hidraulic din oțel sudat

Partea de referință nr:
502 -450

Contactaţi-ne

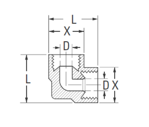
Specificații

PARTE#

Tube O.D..

D

M

L

502-4 1/4 .188 .53 .77
*502-5 5/16 .219 .59 .86
*502-6 3/8 .281 .72 1.04

*Nu este standard

*Ref.Sae No.040201 Ba

502 Inverted Flare Union Elbow este o uniune de flacări care oferă o conexiune universal compatibilă pentru tubul pe partea din aval a piesei. Are toată construcția din alamă, este listată UL pentru lichid și gaze inflamabile și îndeplinește cerințele funcționale ale SAE J512. Nuci de oțel pentru economie Vă rugăm să verificați ref nr.
Acest cot al Uniunii este o montare de instalații sanitare utilizate în sistemele de refrigerare și aer condiționat. Este de obicei conectat la tubul de cupru, argint sau alamă. Fitingurile evazate includ găuri de drenaj pentru a ajuta la scurgerea condensului din tub.

Contact cu noi

Despre LETINE

Leginele industriale Machinery Inc.

În calitate de producători profesioniști din China Brass Fitings și împingeți furnizorii de accesorii. 45 automate automate, 35 de mașini-unelte CNC semiautomatice, precum și distribuitori, care au devenit furnizori importanți pentru producerea de piese de alamă Standard American în China ...
  • onora
  • onora

INSTRUCŢIUNI & Știri