legines.com
702 Fitinguri de tee inversate Flare Union

702 Fitinguri de tee inversate Flare Union

Caracteristici ale produsului:
■■ Toate construcțiile din alamă
■■ UL listat pentru lichid și gaze inflamabile
■■ Îndeplinește cerințele funcționale ale SAE J512
■■ Nuc de oțel pentru economie

Piețe: Aplicații:
■■ Aer condiționat ■■ Linii de refrigerare
■■ Marin ■■ Linii de frână
■■ Mobil ■■ Linii de combustibil
■■ Motoare

Tubul compatibil:
■■ Cupru
■■ Alamă
■■ Aluminiu
■■ Tubul hidraulic din oțel sudat

Partea de referință nr:
244ifhd -702 -441

Contactaţi-ne

Specificații

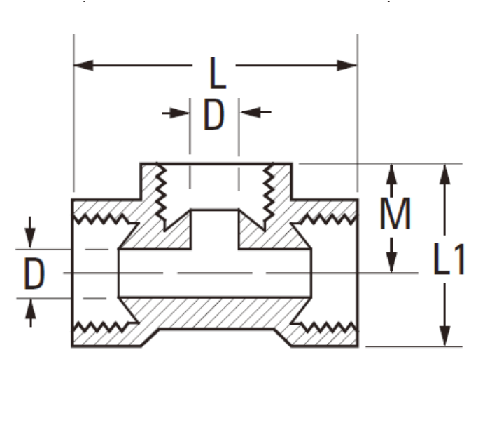
PARTE#

Tube O.D..

D

M

L

702-2 1/8 .078 .330 .94
702-3 3/16 .125 .390 1.09
702-4 1/4 .188 .420 1.13
702-5 5/16 .219 .450 1.25
702-6 3/8 .281 .560 1.48
702-8 1/2 .406 .937 1.76

*Ref.Sae No.040401 Ba

Montarea inversă a tee -ului Flare Union este utilizată pentru a conecta două tuburi. Această montare permite debitului de la o conexiune la ieșire din conexiunea opusă, fără a reduce presiunea sau debitul. Are o construcție de alamă complet întreruptă și are un design compatibil cu SAE J512, permițându -i să reziste la coroziune. Tee -ul inversat Flare Union poate fi utilizat atât în aplicații comerciale, cât și industriale, precum aer condiționat, linii frigorifice, motoare marine, linii de frână și linii de combustibil mobil.
702 de fitinguri ale noastre de flacări inversate sunt confecționate din alamă și îndeplinesc cerințele SAE J512. Are o nucă de oțel pentru economie, poate fi utilizată în liniile de antigel, lichid de frână, apă de răcire a motorului marin și goo.

Contact cu noi

Despre LETINE

Leginele industriale Machinery Inc.

În calitate de producători profesioniști din China Brass Fitings și împingeți furnizorii de accesorii. 45 automate automate, 35 de mașini-unelte CNC semiautomatice, precum și distribuitori, care au devenit furnizori importanți pentru producerea de piese de alamă Standard American în China ...
  • onora
  • onora

INSTRUCŢIUNI & Știri