legines.com
3151# Fitinguri din alamă Stra

3151# Fitinguri din alamă Stra

Caracteristici ale produsului: Piețe:
■■ Toate construcțiile din alamă ■■ Industrial
■■ Îndeplinește cerințele funcționale ale ■■ Construcție
SAE J530 și SAE J531 ■■ Camion greu
■■ Firele făcute la standardele de drisnă ■■ Mobil
■■ Atât forjele, cât și extruziile disponibile ■■ Automatizarea fabricii/proceselor

Aplicații: tubul compatibil:
■■ Linii de aer ■■ Cupru
■■ Linie de apă ■■ Alamă
■■ Linii de răcire ■■ Țeavă de fier

Specificații:
Interval de presiune până la 1000 psi
Interval de temperatură -65˚ până la 250 ° F

Aplicație tipică:
Grăsime, combustibili, LP și gaze naturale, frigider.Instruare și sisteme hidraulice

Conformitate:
Îndeplinește specificațiile și standardele ASA, ASME și SAE.

Partea de referință nr:
3151 -211p -109a -109b

Contactaţi-ne

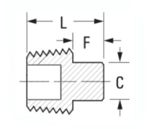
Specificații

PARTE#

Dimensiunea firului

C.

F

L

3151-A

1/8

.28

.24

.58

3151-B

1/8

.37

.29

.80

*3151L-B

1/4

.37

.29

.80

3151-C

3/8

.43

.32

.80

3151L-C

3/8

.43

.32

.80

3151-D

1/2

.56

.39

1.07

*3151L-D

1/2

.56

.39

1.07

3151-e

3/4

.62

.43

1.11

*3151l-e

3/4

.62

.43

1.11

*Hollow

Seria noastră 3151 oferă o gamă completă de accesorii cu tuburi utilizate în linii de aer, linii de apă și sisteme de ungere. Aceste accesorii de aramă sunt fabricate din materiale SAE J530 și SAE J531 pentru a vă satisface presiunile și temperaturile de lucru pentru durata de viață de încredere. Fitingurile prezintă atât forjele, cât și extruziile disponibile, precum și huse de placare rezistente la coroziune, care pot fi pictate la orice standard OEM. Toate construcția de alamă oferă o rezistență și rezistență la coroziune superioare. Această montare îndeplinește standardul J530 și este compatibilă cu filetarea conductelor de uscare. Indiferent dacă construiți o nouă linie de aer sau înlocuiți accesorii metalice mai vechi cu tehnologie modernă, aceste accesorii durabile vă vor ajuta să faceți treaba corect.
Fitingurile pătrate ale dopului de cap sunt fabricate din alamă și pot fi utilizate într -o varietate de aplicații, inclusiv linii de răcire, linii de apă, linii de aer și conexiuni electronice. Fiecare montare este compatibilă cu tubul de cupru sau conducta de fier, precum și cu tubul de alamă.

Contact cu noi

Despre LETINE

Leginele industriale Machinery Inc.

În calitate de producători profesioniști din China Brass Fitings și împingeți furnizorii de accesorii. 45 automate automate, 35 de mașini-unelte CNC semiautomatice, precum și distribuitori, care au devenit furnizori importanți pentru producerea de piese de alamă Standard American în China ...
  • onora
  • onora

INSTRUCŢIUNI & Știri