legines.com
3400# Fitinguri cu țeavă de alamă 90 de grade cot

3400# Fitinguri cu țeavă de alamă 90 de grade cot

Caracteristici ale produsului: Piețe:
■■ Toate construcțiile din alamă ■■ Industrial
■■ Îndeplinește cerințele funcționale ale ■■ Construcție
SAE J530 și SAE J531 ■■ Camion greu
■■ Firele făcute la standardele de drisnă ■■ Mobil
■■ Atât forjele, cât și extruziile disponibile ■■ Automatizarea fabricii/proceselor

Aplicații: tubul compatibil:
■■ Linii de aer ■■ Cupru
■■ Linie de apă ■■ Alamă
■■ Linii de răcire ■■ Țeavă de fier

Specificații:
Interval de presiune până la 1000 psi
Interval de temperatură -65˚ până la 250 ° F

Aplicație tipică:
Grăsime, combustibili, LP și gaze naturale, frigider.Instruare și sisteme hidraulice

Conformitate:
Îndeplinește specificațiile și standardele ASA, ASME și SAE.

Partea de referință nr:
2202P -3400 -304 -115 -202 -116A -28156 la 2816

Contactaţi-ne

Specificații

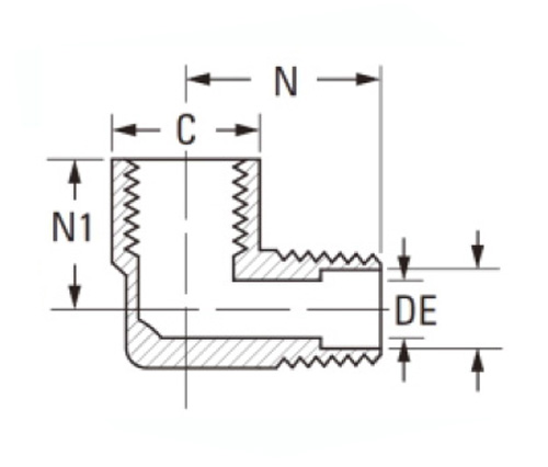
PARTE# D.imensiunea firului C. D N N1
3400-AA 1/8 × 1/8 9/16 .219 .66 .47
3400-BB 1/4 × 1/4 11/16 .315 .91 .72
3400-cc 3/8 × 3/8 13/16 .438 .97 .78
3400-DD 1/2 × 1/2 1 " .562 1.25 1.03
3400-ee 3/4 × 3/4 1-1/4 .750 1.38 1.12

Ref.Sae nr.130239

3400# Fitinguri de țeavă de alamă 90 de grade cotul este fabricat din toate construcțiile din alamă și compatibil atât cu forjele, cât și cu extruziile; Armături de calitate industrială care îndeplinesc cerințele funcționale ale SAE J530 și SAE J531; Piață: construcții, camioane grele și mobil. Ambele standarde sunt respectate pentru a lucra la aplicații mobile, care sunt cauciuc termoplastic (TPR), a fost dezvoltat pentru utilizarea în aplicații auto, industriale și comerciale, unde CPVC este incompatibilă. Această sudură este de 90 de grade cotul de stradă este potrivit pentru utilizare în sistemele hidraulice, mai ales atunci când lucrează sub presiune extremă. Este disponibil într -o gamă largă de dimensiuni și are o rezistență excepțională de coroziune. Această montare este utilizată pentru conectarea liniilor de aer care constau în tubul de cupru. Are un unghi de 90 de grade și este confecționat din alamă, așa că poate rezista la condiții meteorologice dure.

Contact cu noi

Despre LETINE

Leginele industriale Machinery Inc.

În calitate de producători profesioniști din China Brass Fitings și împingeți furnizorii de accesorii. 45 automate automate, 35 de mașini-unelte CNC semiautomatice, precum și distribuitori, care au devenit furnizori importanți pentru producerea de piese de alamă Standard American în China ...
  • onora
  • onora

INSTRUCŢIUNI & Știri