legines.com
3750# Fitinguri din alamă Run pentru bărbați tee Brass Fitings

3750# Fitinguri din alamă Run pentru bărbați tee Brass Fitings

Caracteristici ale produsului: Piețe:
■■ Toate construcțiile din alamă ■■ Industrial
■■ Îndeplinește cerințele funcționale ale ■■ Construcție
SAE J530 și SAE J531 ■■ Camion greu
■■ Firele făcute la standardele de drisnă ■■ Mobil
■■ Atât forjele, cât și extruziile disponibile ■■ Automatizarea fabricii/proceselor

Aplicații: tubul compatibil:
■■ Linii de aer ■■ Cupru
■■ Linie de apă ■■ Alamă
■■ Linii de răcire ■■ Țeavă de fier

Specificații:
Interval de presiune până la 1000 psi
Interval de temperatură -65˚ până la 250 ° F

Aplicație tipică:
Grăsime, combustibili, LP și gaze naturale, frigider.Instruare și sisteme hidraulice

Conformitate:
Îndeplinește specificațiile și standardele ASA, ASME și SAE.

Partea de referință nr:
2225p -225 -3750 -326 -225 -127a -28245 ~ 28249

Contactaţi-ne

Specificații

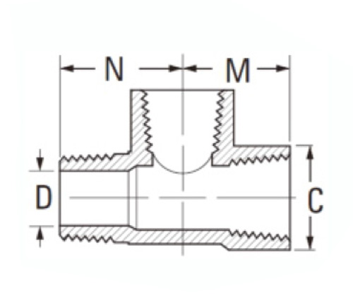
PARTE#

D.imensiunea firului

C.

D

M

N

3750-A

1/8

9/16

.219

.55

.66

3750-B

1/4

11/16

.312

.78

.90

3750-C

3/8

13/16

.438

.84

.97

3750-D

1/2

1 "

.562

1.09

1.25

3750-e

3/4

1 "-1/4

.750

1.38

1.38

*Ref.Sae.Nr.130424

#3750 Fitingurile de tee pentru bărbați sunt fabricate din alamă și răspund nevoilor aplicațiilor industriale, din fabrică/procese și de aplicații mobile. Acestea oferă o conexiune pentru liniile de aer sub presiune. Tubul compatibil este disponibil în conductă de cupru, alamă și fier. Piețele includ piețele de camioane pentru construcții, industriale și grele. Materialele compatibile includ linii de aer, linii de apă și linii de răcire. Aceste accesorii de aramă vin la bărbați și femei pentru comoditatea ta. Materialele sunt suficient de puternice pentru a se ridica la scurgeri și forță, ceea ce le face ideale pentru orice stare meteorologică.  Fiecare montare este fabricată cu tuburi de cupru, alamă și alte materiale de calitate care aduc forță, durabilitate și longevitate în piesă.

Contact cu noi

Despre LETINE

Leginele industriale Machinery Inc.

În calitate de producători profesioniști din China Brass Fitings și împingeți furnizorii de accesorii. 45 automate automate, 35 de mașini-unelte CNC semiautomatice, precum și distribuitori, care au devenit furnizori importanți pentru producerea de piese de alamă Standard American în China ...
  • onora
  • onora

INSTRUCŢIUNI & Știri